Siebe Gorman
The company Siebe Gorman was founded by German engineer Augustus Siebe and his son-in-law Gorman. Siebe Gorman is part of the history of diving with the manufacture of helmets since the 19th century.

The company developed and produced equipment for use in commercial diving, operated on the marine salvage project, and also manufactured open circuit equipment in the late 1940s for commercial and military use.
In 1837, a diving helmet was developed, which, together with rubber sealed suit, were connected to a surface air pump. This set became the first effective diving equipment.

Siebe Gorman & Co Ltd was titled as Submarine Engineers. The company provided diving equipment for the British military during World War II.

Siebe Gorman’s definitive entry into the world of scuba diving took place with the French license La Spirotechnique for the production of double hose regulators inspired by the CG45 design. This made the company save time in the development of its own regulatory project.
In the mid-1950s, scuba diving in the United Kingdom had great growth.

The first regulator produced by Siebe Gorman in 1955 as the CG45 version was the “ESSJEE AQUALUNG”. A two stage double hose regulator. And the following year, an improved version, the “ESSGEE AQUALUNG MK II” also of two stages, now written with the letter “G” and no longer with “J”. ESSGEE as pronounces of the beginnings “S” and “G” of Siebe Gorman.
ESSJEE AQUALUNG MKI
The double hose regulator Essjee Aqualung MKI was a reproduction of the French CG45, with only minor changes. And of course, with imperial measures and not metrics like the French version. Its production occurred in the year 1955.

The regulator had a diameter of 4 1/2 “, 2” deep. The top (label side) and bottom (yoke side) were secured by 4 bolt clamps. This fastening system facilitated the placement and removal of the clamps when compared to those in the CG45.

Another improvement of the British project was the forecast of the use of manometer. The MKI’s HP port for the connection of a pressure gauge was a innovation compareded to the reserve valve used by US regulators and other European regulators.

The hoses used in the manometers were very hard, since the standard hydraulic hoses on the market were used at that time.

The MKI design had two horns with threads, placed diametrically opposite the regulator body. Straight horns were used with elbows. The hoses were military-style, covered with khaki fabric. The mouthpiece was tubalar metal of type “T”, with rubber nozzle.
There were no non-return valves in the mouthpiece, which required a lot of workout to carry water out from the hose.

The mechanism of the first stage was attached to the lower part of the regulator body by a threaded ring. Inside the lower part of the regulator, there is a small spring diaphragm in the second stage. With an internal adjustment it is possible to set the intermediate pressure between 100-120 PSI. The mechanism of the second stage is downstream type.
The diaphragm is made of rubberized fabric and with a glued and riveted metal plate. Two tags on the diaphragm improve contact with the second stage lever.

The horn with the duckbill is attached to the top of the regulator through two screws.
A small riveted plate adorns the top of the regulator with the inscription SIEBE GORMAN & CO LTD – MAKERS – LONDON.
ESSGEE AQUALUNG MKII
In 1956, an improved version of Aqualung appears. The Essgee (no longer with “J”). Aqualung MkII features a change in the second stage mechanism by adding another lever at the top of the existing second stage lever.

This second lever greatly increased the mechanical advantage of the mechanism, making it more sensitive. Consequently, with a lower respiratory resistance.

Externally, little has changed in the regulator’s appearance, but now Siebe Gorman has seen the advantage of displaying his name on the regulator’s label. A large oval nameplate was put, made of bronze, showing the inscription ESSGEE AQUALUNG MKII – SIEBE, GORMAN & Co. LTD – CHESSINGTON, SURREY.
Now, with the letter “G” the phonetics of the name of the regulator is more appropriate to the S.G. by Siebe Gorman.

In the lower part of the regulator, it can be seen that the block containing the yoke is no longer centralized in the regulator body, but rather moved to the side of the central axis.
The ESSJEE version, which may now be called the MKI (with the MKII edition), features the yoke block centralized in the regulator body, but the second stage mechanism is attached more to the side of the center axis, so that the single lever of the second stage is centered on the central axis of the diaphragm.

When the second lever is added to the MKII, it points in the opposite direction of the existing lever. To bring the second lever to the center line of the diaphragm, it was necessary to rotate the internal mechanism by 180o.
This realignment had no adverse effect. This rotation of 180o. of the internal mechanism has resulted in reversing the orientation of the breathing flow of the hoses.

That is, on the ESSJEE Aqualung MKI the exhaust horn was positioned on the right side of the diver, and now, with the changes made in the ESSGEE Aqualung MKII, the exhaust horn is positioned on the left side of the diver.

The placement of the second horseshoe-type lever required the placement of a pair of new small pillars, which together with a curved wire allowed a support for the new lever. With the addition of the second lever, the height of the mechanism increased, making direct contact with the diffragma without the need of the tags for a better contact.

The diaphragm was still flat, constructed from fabric and rubber. In all other features, the MKII corresponded to the same MKI construction pattern.

By the end of 1956, the MKII continued in production until the single stage regulator “MISTRAL” was released, also under license from La Spirotechnique.
DOUBLE HOSE REGULATOR (TWIN HOSE) MK-II SURFACE DEMAND
The double hose MK-II Surface Demand regulator was a single stage regulator that used a full face mask and was fed air through a surface air source through a 60ft long hose.

The surface air source could be made by a high pressure cylinder coupled to a pressure reducing valve, or through an air compressor also composed of air cleaning filters.

The air that arrives at the diver comes from the reduction valve, coupled to the surface cylinder, and arrives at the regulator through the inlet valve (4 and 8). This valve is held in the closed position through the lever and the regulator springs (6 and 7). With the inspiration of the diver, a smaller pressure is created inside the chamber (9) and the diaphragm (3) is pressed by the external pressure.
This in turn compresses the valve lever (7), which allows the inlet valve to open, allowing air to flow into the inlet port (4 and 8). After expiration, the air is passed along the outlet tube and through the duckbill valve (1) to the water.


DOUBLE HOSE REGULATOR (TWIN HOSE) MISTRAL
Siebe Gorman produced the single-stage downstream double-hose regulator called Mistral from 1956 to 1972. It was built under license and was a copy of the Mistral regulator from Spirotechnique. Siebe Gorman’s version closely followed the configuration of the French model, but several changes were introduced that personified the production of the English version.
Throughout the 12 years of production of Mistral by Siebe Gorman, a number of successive changes were made in the configuration of the regulator. However, the company has never made distinctions about these changes. There was no disclosure that marked the changes, when they occurred, either by model, or by year or even by the serial number of the regulators. The external configuration of Mistral remained unchanged, even when these modifications occurred.
Bob Campbell wrote an article on these changes, which is published in the magazine Historical Diving Times # 52 in 2011.
Six phases, or six generations, of the Mistral can be identified, in which these modifications to the design of the original standard regulator can be highlighted.
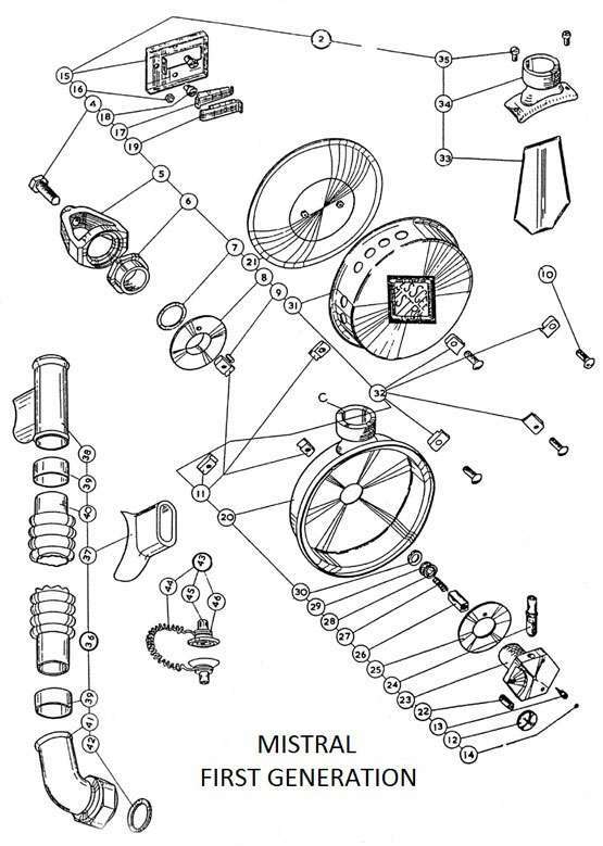
MISTRAL – FIRST GENERATION – 1956
This Mistral is easily recognizable as it does not present the entrance port for gauge connection (HP Port).
The top of the regulator (front case) is flat and features a diamond label with the inscription ESSGEE MISTRAL – SIEBE GORMAN – CHESSINGTON SURREY – COUSTEAU GAGNAN PATENTS. The nickel-plated metal label, painted yellow with the letters in black.
The configuration of the regulator follows, strictly speaking, that of Mistral from Spirotechnique. Some changes to the French design were made, such as fixing the top and bottom of the regulator. A flat diaphragm constructed of fabric and rubber, with a central ring and a metal edge, separates the upper chamber (in contact with water) from the lower chamber (regulator mechanism).
Below the diaphragm was a mechanism consisting of a two-lever system, with the second lever sliding over the primary lever, increasing the mechanical advantage. The levers were only engaged, and the fixation between them came through the presence of the diaphragm.

The lower lever has a small pin that carries a small O-ring, with passage to the central body of the regulator. At Mistral’s Spirotechnique, this O-ring was located in the hole and not in the pin.
The central body contains the single stage valve with rectangular section. The valve head is designed to fit a compression spring. A nut is used to attach the lower body to the yoke.

Internally, a Venturi jet protruded next to the regulator’s central body and concentrates the air jet directly into the inhalation outlet.

Two threaded spigots are provided for securing the 1″ diameter hose set at both ends. The mouthipece is a tubular metal “T” type, with a tube of oval circular section to fix the rubber nozzle.
The connection between the hoses and the regulator body was made by heavy bent elbows attached to the tubes, which were maintained during subsequent designs. The hoses and mouthpiece were secured by wire bindings.


A 1/8″ copper tube was placed inside the lower part of the regulator, with the end containing a 1/8″ BSP female thread.
The hole in the bottom of the regulator, through which the connector passed, was square and with a reinforced protection, leaving the entrance door to the manometer projected parallel to the yoke. This system was not very effective, generating many problems.

During the production of the Mistral Second Generation, Siebe Gorman introduced non-return valves into the mouthpiece.
MISTRAL – SECOND GENERATION
The Mistral second generation manufacturing standard featured the HP port for the manometer connection. It seems an incoherence, that Siebe Gorman has not placed this door since the beginning, as they had previously done in their two-stage regulators: the Aqualung MKI and MKII.

Another change that can be noticed in the Mistral Third Generation concerns the recessed part in the upper part of the regulator where the diamond-shaped label was seated. This provided additional protection for the label, since it was seated within this lowering in the upper case.

During this period, between 1961-1962, Siebe Gorman merged with his biggest competitor, Heinke company. And they marketed together, such as “Siebe Heinke”, the regulator “Merlin V”.
The most notable difference of this new generation of Mistral was a change of the hose assembly. As Siebe Gorman had acquired his rival Heinke, and with this, the production of the recently introduced regulator MERLIN. Consequently, they decide to use Heinke’s standard hose on the Mistral regulator.
Molded rubber mouthpiece with non-return valves replaced metal mouthpiece. The new hoses also had a 1″ diameter in connection with the horns, but now had the diameter of 1 3/4″ in mouthpiece connection.

MISTRAL – FOURTH GENERATION
In this version, Siebe Gorman altered the brass identification plate, replacing it with an adhesive label. At the new label, colors blue and cream, the inscription SIEBE GORMAN – MISTRAL.
Screws for attaching the exhaust horn with round heads and locking nuts were inserted.

The venturi jet was also modified to improve the regulator’s response. A tubular extension was welded to the end of the existing jet, so that it now protruded into the inhalation port. Siebe Gornam came to regard the venturi as an integral part of the central body, and should not be removed. In fact, they excluded this item from their parts list, which generated a problem during the maintenance of the regulator.
Although it was possible to release the central part of the casing mechanism, it was not possible to extract it entirely, because the venturi jet was projected to the inhalation outlet.

The most significant change of this generation was the introduction of a molded diaphragm in place of the previous fabricated version (fabric/rubber). This new diaphragm resembled an inverted shallow dish. This new diaphragm shape decreases the available height for the movement of the levers – in contact with the diaphragm – to 1/4″, which impaired the mechanical efficiency of the regulator.
The yoke has also changed and has been augmented to accommodate the new valves of the existing cylinders.
MISTRAL – FIFTH GENERATION
Two changes were made by Siebe Gorman at Mistral Fifth Generation. To protect the duckbill from contact with the diaphragm, a spacer plate was introduced. A metal strip, 4″ long by 1″ wide, was placed on the inside of the top cover (label side). The metal strip is attached to the top cover by two small screws.

As in the Mistral Fourth Generation, the movement limit of the lever system was hampered by the introduction of the new diaphragm in the shape of an inverted shallow dish, something needed to be done. The solution found to allow a greater increase for the movement of the levers system was the placement of two slots in the support plate and the addition of a new diaphragm.
These modifications caused the tip system height to be 1/2″ instead of the 3/4″ Mistral Fourth Generation.
MISTRAL – SIXTH GENERATION
Siebe Gorman did not seem to be satisfied with the format of the previous separator (41), which formed a bridge type for the exhaust valve.
The new separator (41) proposed for this generation featured a larger size and a disk shape placed on the top cover of the regulator. The disc fastening was made by two screws attached to the top cover. The separator had three holes that allowed the water to move. The disk had a cutout to allow the exhaust valve to operate fully.

Bob Campbell believed that to be the final Siebe Gorman’s configuration for Mistral double hose regulator, which had its production ended with the company’s closure in 1972. At this point, the single hose regulators were in the ascendant and the phase of the single stage double hose regulators was over.
Siebe Gorman has published a series of manuals for Mistral, but once again the lack of identification for the various versions/generations produced makes their identification, with the respective version of the manual, very difficult. The various editions did not contain the dates of their publication and only through the exploded diagrams and parts lists can we identify the specific manual.
Siebe Gorman tried to stay on the market with the manufacture of single hose regulators but has unfortunately disappeared from the dive market.
A publication called THE ESSGEE “MISTRAL” AQUALUNG AND ANCILLARY UNDERWATER SWIMMING EQUIPMENT, which was in fact a catalog, describes the new regulator Mistral, in addition to a large variety of diving equipment. The price list in this catalog is dated August 26, 1957.

Examination of the illustrations shows what must have been a Mistral prototype, with the top of the regulator shell flat and unlabeled.

This rare regulator Mistral double hose regulator can be seen in our collection.

Bob Campbell believed that five manual versions were produced for the Mistral double hose regulator. But we managed to find another version with the cover in GREEN DARK, titled THE MISTRAL MANUAL AND UNDERWATER SWIMMING GUIDE – previous to the version Bob Campbell said was the first. The dates of the drawings of the exploded diagrams date from 01/03/57 and 05/25/57.

According to Campbell’s article, the first version is entitled THE MISTRAL MANUAL AND UNDERWATER SWIMMING GUIDE. The exploded diagram drawing is dated 11/11/57. It refers to the Mistral First Generation – no door to the manometer. Apparently, the cover of the manual was yellow.
The second manual, now in a blue (two-tone) cover, was inscribed SIEBE GORMAN – THE MISTRAL MANUAL AND UNDERWATER SWIMMING GUIDE. This manual covers the Mistral Second Generation and introduces the introduction of the manometer inlet port shown in the exploded diagram drawing dated 1/16/61.

The third manual, now in a smaller format, features the green and cream cape and is titled THE SIEBE HEINKE MISTRAL HANDBOOK. Surely, this manual is from a date after the acquisition of Heinke in 1962, but this is the only clue. The texts on underwater swimming have been removed from this edition.
The text went on to say nothing about the gauge inlet port that only appeared in the exploded diagram drawing and the parts list.

Another manual, probably the fourth number, had a gray cover and spiral border. It had the title of INSTRUCTION AND MAINTENANCE MANUAL MISTRAL DEMAND VALVE. The format was slightly larger than the previous one. It introduces the introduction of the Venturi Jet extension, the new molded diaphragm, the separator between the diaphragm and the duckbill and the new set of hoses from Heinke.

The latest version of the Mistral manual presents the only difference to changing the tab/separator, now in the form of a cropped disc. This does not appear in the text but in the exploded diagram and parts list. In all other respects, the manual is identical to the previous edition.
References
- John Salsbury;
- Historical Diving Times #50 – Siebe Gorman Twin Hose Regulators by Bob Campbell;
- Drawings – Copright: Bob Campbell – Published with his authorization – “Copyright Historical Diving Society”;
- Historical Diving Times #52 – The Siebe Gorman Mistrals by Bob Campbell;
- Siebe Gorman Manuals and Catalogs;




