Northill
In 1936, Cliff Garrett founded AiResearch, a company that made air coolers for military aircraft and stood out for the importance of quality in all its products. In 1938 the company name was changed to Garrett Corporation.
They have developed many innovations in the aircraft industry, including a method for a compressed air pump in a hermetically sealed aircraft so that passengers could travel in comfort. Garrett also acquired Northill Company, a manufacturer of nautical products, including Northill Air Lung.

Garrett AiResearch Corporation of Los Angeles, California, was produced the second double hose regulator designed in the U.S.A.
The regulator’s project began in 1952. Garret, through its subsidiary Northill, began production for the US Navy in 1954. Designed by Robert Kimes and Robert Kesler, it was released for sale to the public in 1955.



Robert Kimes (1923-2017)

Northill Air Lung is a single-stage, balanced, downstream type regulator. Both ends of the floating valve stem see ambient pressure, one in air and the other in water. With lowering cylinder pressure throughout the dive the floating valve seat balances against springs to keep the lever pressures and the breathing effort fairly constant.
Scientific Underwater Research Enterprises, owned by Zale Parry and Parry Bivens, who was active in the construction of hyperbaric chambers and equipment tests, conducted a series of tests on the Air Lung regulator. Zale Parry, who was a famous American actress and one of the pioneers in scuba diving activity in the USA, acted as the regulator’s advertising girl, even illustrating the cover of Sports Illustrated magazine in May 1955 using a Northill regulator.


In September 1953, AiResearch, Northill Company, brought to the NEDU (United States Navy Experimental Diving Unit) two pre-production models of the Air-Lung, which proved to be a complete redesign of the experimental model presented for evaluation in 1952.
Tests proved that the Northill pre-production Air-Lung was suitable for use as a shallow water swimming and diving unit to a depth of 150 feet, but the mouthpiece assembly proved unsuitable and the reserve mechanism needed to be re-designed to prevent accidental triggering that would, without warning, eliminate the divers safety reserve. In May 1954 the patent, #2,828,739, was filed under the name of inventor Robert Kimes. On this updated pre-production model the reserve and mouthpiece assemblies were completely redesigned.
The Air-Lung went into production for the remainder of 1954 and the finished units all went to the government and to be used for ongoing testing by the NEDU.

All the prototypes and the 1954 Northill Air-Lung regulators manufactured and tested by the NEDU were sand-casted and weighed more than four pounds. In 1954, all regulators were solid brass and manufactured using the sand-cast molds.
In an interview some years ago, Robert Kimes said that as far as he could recall only some 200 or so of the sand-casted regulators were assembled.

Serial Number 55-252 (CG-45 Collection). Very few sand-casted regulators stamped “55” were distributed through to the market.
Northill’s first printed brochure, and a very small number of advertisements, show the sand casted model.

During 1954, the Northill Company worked on die-cast molds for a new production model Northill. Die-casting has reduced the weight to three pounds.
Very few sand-casted regulators stamped “55” were distributed through to the market.
The production of the regulator occurred from 1955 and 1961. The year of production can be identified by the first number of the serial number engraved on the bronze body. For example: Serial number 6-3341 means that the regulator was produced in 1956.
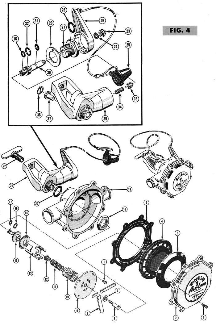
The identification of Northill Air Lung’s double hose regulators is made by the serial number, regulator label and internal parts.
1954 – Northill Air Lung: The first two numbers of the serial number indicate the year. The label is green, Northill Company and Garrett Corporation are listed with a patent number, and the label was attached using adhesive The internal metering valve (high pressure valve assembly). is held in place with a “C” (or Truarc) clip, and all internal working parts are made of polished brass with the exception of the springs.
The main inhalation diaphragm is made of thin rubber and yellow fiberboard riveted together and in the center is a mushroom exhaust valve. The reserve assembly has a cast “limit lever sleeve.” The lever itself is made from stamped-out sheet metal and is held in place with a C (or Truarc) clip. The corrugated hoses are held in place using brass bands, and the mouthpiece is a cast fitting, which carries a push-button cut-off valve and removable mouthpiece. (NEDU report 1954).
1955 – Northill Air Lung: The new redesigned mouthpiece (Patent #2,763,262) was provided on all 1955 Northill regulators. At the start of the year some remaining sand cast regulators entered the sport diver market. Serial numbers appear to continue in chronological order from the 1954 production. There are regulators chrome plated (original), but it is assumed it was done this way for display purposes and not intended for resale.With the exception of the new mouthpiece assembly, the regulator was internally unchanged. The outer case now had a better coating of cadmium plating, but the green label was unchanged and still attached by adhesive. In early 1955 the die-cast body regulator would replace all sand-cast models.
At this point the serial numbers take a big jump. It seems that now they start with a date (last number of the year), followed by a four-digit number starting with 1xxx.

The main inhalation diaphragm is now made with rubber and black fiber, riveted, and the mushroom exhaust valve in the center.
The green label is now attached with two rivets. Near the end of the year the green label was replaced with a black label, although the information printed on the label remained the same.

1956 – Northill Air Lung: In 1956, major design changes were made to the metering valve (high pressure assembly). Some changes were made to the reserve assembly, and a major change was also made to the main diaphragm exhalation valve.
Modifications were made to the mouthpiece assembly and a one-way check valve was placed in the corrugated hose near the intake side of the mouthpiece to aid in easier exhalation and help expel any water from the hose.
The black label now has the word “REGULATOR” centered under the Air-Lung name.

The chrome-plated regulator serial number 6C-2684 belongs to CG-45 Collection.


The different versions produced for the same project.



GARRETT CORPORATION announced in 1957/1958 that AIR CRUISERS DIVISION would distribute the Northill Air Lung double hose regulator. No regulators have been seen or noted for the year 1957.

1958 – Northill Air Lung: Many of the internal parts are now made from stainless steel rather than brass. A second check valve is placed in the corrugated hose on the exhaust side near the regulator body. The black label now states Air Cruisers Division, rather than the Northill Company.
1959 and 1960 – Northill Air Lung: No changes were noted for this year.
1961 – Northill Air Lung: No changeswere noted for this year. This would be the last year for the Northill two hose regulator.
The regulator manual reported that a single screwdriver was required to disassemble and assemble the regulator with its 12 sets of screws.






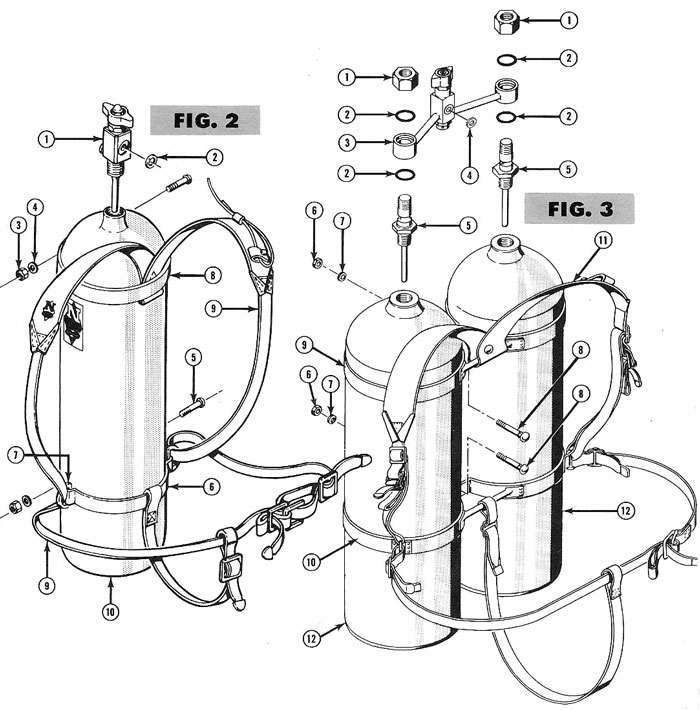
Garrett also supplied the first aluminum cylinders along with the Northill regulator.

Reference
1. http://vintagedivertreasures.com/VDTdecalPage2.htm
2. http://www.internationallegendsofdiving.com/Articles/icorn_090808.htm
3. Scuba Workshop – Northill Air Lung Twin Hose Regulator – by Kent Rockwell – Historical Diver Volume 9 Issue 2
4. The Northill Air Lung Instruction Book and Part List
5. http://www.skindivinghistory.com/mfg_retailers/n/Northill_Company_Inc/index.html
6. The Northill Air-Lung Regulator – A Collector’s Review – By Ed LaRochelle – The Journal of Diving History – Third Quarter 2014, Volume 22, Number 80
7. SCUBA WORKSHOP – EDUCATION THROUGH PRESERVATION – by Kent Rockwell – HISTORICAL DIVER No. 33 Fall 2002
8. http://www.miller-jones.com/book-of-memories/2976054/kimes-robert/obituary.php



