Duro Dakovic
The company Ðuro Ðakovic was established in 1921 in ancient Yugoslavia, now Croatia, in the town of Brod in Savi. He worked in the construction and repair of railway wagons and locomotives, bridge constructions, machine manufacturing and diversified transportation equipment.
After some time, they started the manufacture of military articles and acted, strongly, in the heavy mechanical industry. Some of the prewar Communist Party leaders were part of the company that was located in the town of Slavonski Brod.
In the 60s began the production of cylinders, in operation called Slavonski Partizan. With the license of Spirotechnique in the 70s, they made diving equipment.
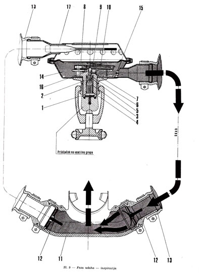
The two models of double hose regulators manufactured were JADRAN and HR-M74 and they had MISTRAL features from La Spirotechnique. The JADRAN model was for civilian use and the HR-M74 was for military use.
The regulators differ only on the labels and on the yokes connecting the cylinder. The HR-M74 was made for a set of 10 liters double cylinder use and had a smaller yoke and cylinder connection valve differentiaded. As the HR-M74 was for military use, it would only serve in the double cylinder that accompanied the regulator.







